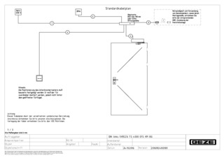
Freilauftürschließer 1-flügelig

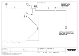
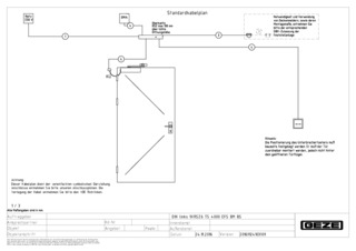
TS 4000 EFS Gestängetürschließer für einflügelige Türen bis 1400 mm Flügelbreite mit elektrischer Freilauffunktion

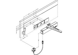
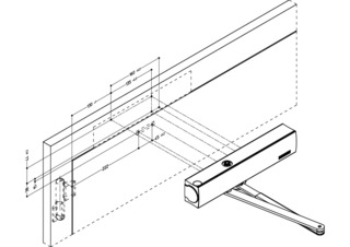
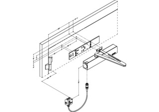
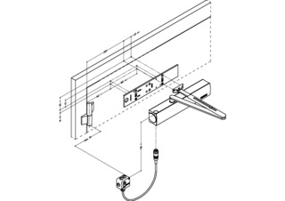
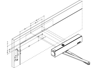
Türschließer TS 4000 EFS Obentürschließer mit Freilaufgestänge und elektrohydraulischer Feststellung, Schließkraft Größe 1-6
  • Stufenlos einstellbare Schließkraft EN 1-6
  • Betriebsspannung 24 V DC
  • Für rechts und links angeschlagene Türen ohne Umstellung verwendbar
  • Freilauffunktion ermöglicht das Begehen der Tür mit geringem Kraftaufwand
  • Freilauffunktion nach einmaligen Öffnen der Tür auf ca. 90°
  • Rauchschalterzentrale anschließbar, deren Signal im Brandfall die Tür selbstständig schließen lässt
Mehr anzeigen
  • Mechanischer Endschlag, der die Tür kurz vor Geschlossenlage beschleunigt
  • Schließgeschwindigkeit kann individuell angepasst werden
  • Optische Schließkraftanzeige zum leichten Kontrollieren der Einstellung
  • Alle Funktionen von vorn einstellbar (außer Endschlag)
Kontaktieren Sie uns

Anwendungsbereiche

  • Feuer- und Rauchschutztüren
  • Rechte und linke Anschlagtüren
  • Anschlagtüren bis 1400 mm Flügelbreite
  • Türblattmontage Bandseite
  • Feststellanlagen mit integrierter Feststellung mit Freilauf
  • Barrierefreie Zugänge nach DIN 18040

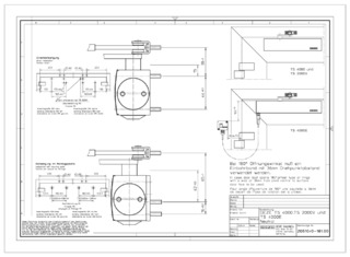
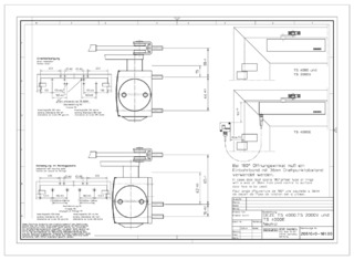
Technische Daten zum Produkt

TS 4000 EFS
Schließkraft nach EN 1154 EN 1 - 6
Barrierefrei nach DIN 18040 bis Flügelbreite (max.) in mm 1400 mm
Flügelbreite (max.) 1400 mm
Montageart Türblattmontage Bandseite
Öffnungswinkel (max.) 180 °
Eingangsspannung 24 V DC
Eignung Brandschutztüren Ja
Freilaufbereich 80 ° - 175 °
Schließkraft einstellbar Ja, stufenlos
Schließgeschwindigkeit einstellbar Ja
Endschlag einstellbar Ja, über Gestänge
Position Schließkraftverstellung Vorn
Optische Schließkraftanzeige Ja
Feststellung Elektrisch, für Freilauffunktion

Downloads

Varianten & Zubehör

Kontakt

Wir helfen Ihnen gern +49-7152-203-0 Mo – Do: 7.30 – 17.00 Uhr /Fr: 7.30 – 16.00 Uhr Architektenhotline +49-7152-203-112 Mo – Do: 9.00- 16.00 Uhr / Fr: 9.00 – 15.00 Uhr Service Hotline +49-1802-923392 (0,06 € / Anruf aus dem Festnetz, Mobilfunk max. 0,42 €)