Schließkörper TS 4000 R KM BG

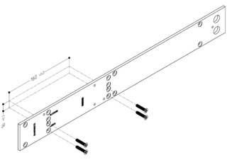
Montageplatte Türschließer Für TS 5000 RFS KM / TS 4000 R(-IS) mit Bohrbild nach DIN EN 1154 Beiblatt 1

Montageplatte Türschließer, ID 058808
  • Mit Bohrbild nach DIN EN 1154 Beiblatt 1
Kontaktieren Sie uns

Anwendungsbereiche

  • Montage des Schließerkörpers nach DIN-Bohrbild

Technische Daten zum Produkt

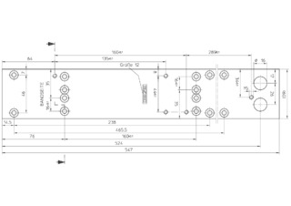
Montageplatte Türschließer
Montageplatte mit Bohrbild nach EN 1154 Beiblatt Ja

Downloads

Varianten & Zubehör

Kontakt

Wir helfen Ihnen gern +49-7152-203-0 Mo – Do: 7.30 – 17.00 Uhr /Fr: 7.30 – 16.00 Uhr Architektenhotline +49-7152-203-112 Mo – Do: 9.00- 16.00 Uhr / Fr: 9.00 – 15.00 Uhr Service Hotline +49-1802-923392 (0,06 € / Anruf aus dem Festnetz, Mobilfunk max. 0,42 €)