MBZ 300 N48G

FT 4 A Nebenbedienstelle RWA-Taster zum Anschluss an GEZE RWA-Zentralen

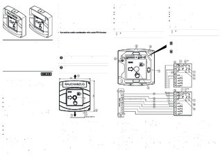
RWA Taster FT4 A
  • Robustes, abschließbares Alu-Druckgussgehäuse
  • LED Betriebszustandsanzeigen Alarm
  • Reset-Taste zum Zurücksetzen des Alarms
  • Nachvollziehbare Auslösung durch Einrasten des Druckknopfes
Kontaktieren Sie uns

Anwendungsbereiche

  • Zum Anschluss an GEZE RWA-Zentralen
  • Zur Ergänzung einer Hauptbedienstelle FT 4 A
  • Zur manuellen RWA-Alarmauslösung
  • Aufputzmontage
  • Kabeleingang von Oben, Unten oder der Rückseite
  • Betrieb mit 4-adrigem Kabel möglich

Downloads

Varianten & Zubehör

Kontakt

Wir helfen Ihnen gern +49-7152-203-0 Mo – Do: 7.30 – 17.00 Uhr /Fr: 7.30 – 16.00 Uhr Architektenhotline +49-7152-203-112 Mo – Do: 9.00- 16.00 Uhr / Fr: 9.00 – 15.00 Uhr Service Hotline +49-1802-923392 (0,06 € / Anruf aus dem Festnetz, Mobilfunk max. 0,42 €)